
Серия YE3 представляет собой сверхвысокоэффективный полностью закрытый трехфазный асинхронный электродвигатель, изготовленный с применением новых материалов и новых технологий.
Серия YE3 представляет собой сверхвысокоэффективный полностью закрытый трехфазный асинхронный электродвигатель, изготовленный с применением новых материалов и новых технологий. Показатели его эффективности соответствуют второму классу по стандарту GB/T28575-2012.
Отличается эстетичным внешним видом, высокой энергоэффективностью, изоляцией класса F, степенью защиты IP55. Электродвигатель имеет низкий уровень шума, незначительную вибрацию и высокую надежность работы. Предназначен для общего применения в условиях, требующих энергосбережения, непрерывной работы и возможности частых включений. Например, для вентиляторов, насосов и другого оборудования.
| Класс изоляции | F |
| Способ охлаждения | IC411 |
| Класс энергоэффективности | IE3 |
| Типоразмер | 80-355 |
| Режим работы | S1 |
| Мощность | 0,75-315 кВт |
| Модели | Мощность (кВт) | Ток (А) | Частота вращения (об/мин) | КПД (%) | Коэффициент мощности | Отношение пускового момента к номинальному | Отношение пускового тока к номинальному | Отношение максимального момента к номинальному | Уровень шума (А)
|
| Синхронная частота вращения 3000 об/мин | |||||||||
| YE3-63M1-2 | 0,18 | 0,53 | 2720 | 65 | 0,80 | 2,2 | 5,5 | 2,2 | 58 |
| YE3-63M2-2 | 0,25 | 0,69 | 2720 | 68 | 0,81 | 2,2 | 5,5 | 2,2 | 58 |
| YE3-71M1-2 | 0,37 | 0,99 | 2740 | 70 | 0,81 | 2,2 | 6,1 | 2,2 | 61 |
| YE3-71M2-2 | 0,55 | 1,4 | 2740 | 73 | 0,82 | 2,2 | 6,1 | 2,3 | 61 |
| YE3-80M1-2 | 0,75 | 1,7 | 2870 | 80,7 | 0,82 | 2,3 | 7,0 | 2,3 | 62 |
| YE3-80M2-2 | 1,1 | 2,4 | 2875 | 82,7 | 0,83 | 2,2 | 7,3 | 2,3 | 62 |
| YE3-9oS-2 | 1,5 | 3,2 | 2880 | 84,2 | 0,84 | 2,2 | 7,6 | 2,3 | 67 |
| YE3-90L-2 | 2,2 | 4,6 | 2880 | 85,9 | 0,85 | 2,2 | 7,6 | 2,3 | 67 |
| YE3-100L-2 | 3 | 6,0 | 2880 | 87,1 | 0,87 | 2,2 | 7,8 | 2,3 | 74 |
| YE3-112M-2 | 4 | 7,8 | 2915 | 88,1 | 0,88 | 2,2 | 8,3 | 2,3 | 77 |
| YE3-132S1-2 | 5,5 | 10,6 | 2930 | 89,2 | 0,88 | 2,0 | 8,3 | 2,3 | 79 |
| YE3-132S2-2 | 7,5 | 14,4 | 2930 | 90,1 | 0,88 | 2,0 | 7,9 | 2,3 | 79 |
| YE3-16OM1-2 | 11 | 20,6 | 2945 | 91,2 | 0,89 | 2,0 | 8,1 | 2,3 | 81 |
| YE3-160M2-2 | 15 | 27,9 | 2945 | 91,9 | 0,89 | 2,0 | 8,1 | 2,3 | 81 |
| YE3-16OL-2 | 18,5 | 34,2 | 2945 | 92,4 | 0,89 | 2,0 | 8,2 | 2,3 | 81 |
| Синхронная частота вращения 1500 об/мин | |||||||||
| YE3-63M1-4 | 0,12 | 0,44 | 1310 | 57,0 | 0,72 | 2,1 | 4,4 | 2,2 | 48 |
| YE3-63M2-4 | 0,18 | 0,62 | 1310 | 60,0 | 0,73 | 2,1 | 4,4 | 2,2 | 48 |
| YE3-63M3-4 | 0,25 | 0,79 | 1310 | 65,0 | 0,74 | 2,1 | 5,2 | 2,2 | 53 |
| YE3-63M4-4 | 0,37 | 1,12 | 1310 | 67,0 | 0,75 | 2,1 | 5,2 | 2,2 | 53 |
| YE3-71M1-4 | 0,25 | 0,79 | 1330 | 65,0 | 0,75 | 2,1 | 5,2 | 2,2 | 53 |
| YE3-71M2-4 | 0,37 | 1,12 | 1330 | 67,0 | 0,75 | 2,1 | 5,2 | 2,2 | 53 |
| YE3-71M3-4 | 0,55 | 1,57 | 1330 | 71 ,0 | 0,76 | 2,4 | 5,2 | 2,3 | 58 |
| YE3-71M4-4 | 0,75 | 1,88 | 1330 | 73,0 | 0,75 | 2,3 | 6,0 | 2,3 | 58 |
| YE3-80M2-4 | 0,75 | 1,8 | 1430 | 82,5 | 0,76 | 2,3 | 6,6 | 2,3 | 56 |
| YE3-90S-4 | 1,1 | 2,6 | 1430 | 84,1 | 0,77 | 2,3 | 6,8 | 2,3 | 59 |
| YE3-90L-4 | 1,5 | 3,5 | 1430 | 85,3 | 0,81 | 2,3 | 7,0 | 2,3 | 59 |
| YE3-100L1-4 | 2,2 | 4,8 | 1440 | 86,7 | 0,82 | 2,3 | 7,6 | 2,3 | 64 |
| YE3-100L2-4 | 3 | 6,3 | 1440 | 87,7 | 0,82 | 2,3 | 7,6 | 2,3 | 64 |
| YE3-112M-4 | 4 | 8,4 | 1455 | 88,6 | 0,83 | 2,2 | 7,8 | 2,3 | 65 |
| YE3-132S-4 | 5,5 | 11,2 | 1465 | 89,6 | 0,84 | 2,0 | 7,9 | 2,3 | 71 |
| YE3-132M-4 | 7,5 | 15,0 | 1465 | 90,4 | 0,85 | 2,0 | 7,5 | 2,3 | 71 |
| YE3-16OM-4 | 11 | 21,5 | 1470 | 91,4 | 0,86 | 2,2 | 7,7 | 2,3 | 73 |
| YE3-160L-4 | 15 | 28,8 | 1470 | 92,1 | 0,75 | 2,2 | 7,8 | 2,3 | 73 |
| Синхронная частота вращения 1000 об/мин | |||||||||
| YE3-63M1-6 | 0,09 | 0,52 | 840 | 44,0 | 0,60 | 1,8 | 3,5 | 1,9 | 48 |
| YE3-63M2-6 | 0,12 | 0,63 | 840 | 48,0 | 0,60 | 1,8 | 3,5 | 1,9 | 48 |
| YE3-71M1-6 | 0,18 | 0,74 | 850 | 56,0 | 0,66 | 1,9 | 4,0 | 2,0 | 49 |
| YE3-71M2-6 | 0,25 | 0,95 | 850 | 59,0 | 0,68 | 1,9 | 4,0 | 2,0 | 49 |
| YE3-90S-6 | 0,75 | 2,0 | 945 | 78,9 | 0,71 | 2,0 | 6,0 | 2,1 | 57 |
| YE3-90L-6 | 1,1 | 2,8 | 950 | 81,0 | 0,73 | 2,0 | 6,0 | 2,1 | 57 |
| YE3-100L-6 | 1,5 | 3,8 | 950 | 82,5 | 0,73 | 2,0 | 6,5 | 2,1 | 61 |
| YE3-112M-6 | 2,2 | 5,4 | 965 | 84,3 | 0,74 | 2,0 | 6,6 | 2,1 | 65 |
| YE3-132S-6 | 3 | 7,2 | 975 | 85,6 | 0,74 | 2,0 | 6,8 | 2,1 | 69 |
| YE3-132M1-6 | 4 | 9,5 | 975 | 86,8 | 0,74 | 2,0 | 6,8 | 2,1 | 69 |
| YE3-132M2-6 | 5,5 | 12,7 | 975 | 88,0 | 0,75 | 2,0 | 7,0 | 2,1 | 69 |
| YE3-160M-6 | 7,5 | 16,2 | 980 | 89,1 | 0,79 | 2,0 | 7,0 | 2,1 | 73 |
| YE3-16OL-6 | 11 | 23,1 | 980 | 90,3 | 0,80 | 2,0 | 7,2 | 2,1 | 73 |
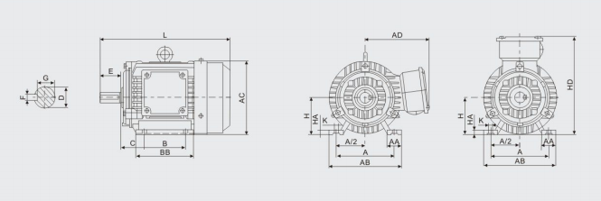
| Типоразмер | Основные монтажные конструкции | Производные монтажные исполнения | |||||||||||||
| B3 | B5 | B35 | V1 | V3 | V5 | V6 | B6 | B7 | B8 | V15 | V36 | B14 | B34 | V18 | |
| 63~112 | √ | √ | √ | √ | √ | √ | √ | √ | √ | √ | √ | √ | √ | √ | √ |
| 132~160 | √ | √ | √ | √ | √ | √ | √ | √ | √ | √ | √ | √ | - | - | - |
| 180~280 | √ | √ | √ | √ | - | - | - | - | - | - | - | - | - | - | - |
| 315~355 | √ | - | √ | √ | - | - | - | - | - | - | - | - | - | - | - |
B14(Рама без лап, с малым фланцем на торцевом щите)
| Типоразмер | Число полюсов | Монтажные размеры | |||||||||||||
| D | E | F | G | M | N | P | R | S | T | AC | AD | HF | L | ||
| 63M | 2,4,6 | 11 | 23 | 4 | 8,5 | 75 | 60 | 90 | 0 | 4-M5 | 2,5 | 130 | 111 | - | 217 |
| 71M | 14 | 30 | 5 | 11,0 | 85 | 70 | 105 | 4- M6 | 145 | 118 | 245 | ||||
| 80M | 19 | 40 | 6 | 15,5 | 100 | 80 | 120 | 3,0
|
175 | 145 | 305 | ||||
| 90S | 24 | 50 | 8 | 20 | 115 | 95 | 140 | 4-M8 | 195 | 165 | 360 | ||||
| 90L | 390 | ||||||||||||||
| 100L | 28 | 60 | 24 | 130 | 110 | 160 | 3,5 | 215 | 180 | 245 | 435 | ||||
| 112M | 240 | 190 | 265 | 470 | |||||||||||
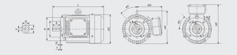
B34(Рама с лапами, с малым фланцем на торцевом щите)
| Типоразмер | Число полюсов | Монтажные
размеры |
Габаритные
размеры |
|||||||||||||||||||||
| A | B | C | D | E | F | G | H | K | M | N | P | R | s | T | AA | BB | HA | AB | AC | AD | HD | L | ||
| 63M | 2,4,6 | 100 | 80 | 40 | 11 | 23 | 4 | 8,5 | 63 | 7 | 75 | 60 | 90 | 0 | 4- M5 | 2,5 | 24 | 100 | 7 | 135 | 130 | 111 | 150 | 217 |
| 71M | 112 | 90 | 45 | 14 | 30 | 5 | 11,0 | 71 | 85 | 70 | 105 | 4- M6 | 26 | 110 | 8 | 150 | 145 | 118 | 170 | 245 | ||||
| 80M | 125 | 100 | 50 | 19 | 40 | 6 | 15,5 | 80 | 100 | 80 | 3 | 32 | 150 | 12 | 165 | 175 | 145 | 220 | 305 | |||||
| 90S | 140 | 100 | 56 | 24 | 50 | 8 | 20 | 90 | 10 | 115 | 95 | 140 | 4-M8 | 34 | 185 | 14 | 180 | 195 | 165 | 260 | 360 | |||
| 90L | 125 | 34 | 210 | 14 | 390 | |||||||||||||||||||
| 100L | 160 | 140 | 63 | 28 | 60 | 24 | 100 | 12 | 130 | 110 | 160 | 3,5 | 39 | 223 | 16 | 205 | 215 | 180 | 270 | 435 | ||||
| 112M | 190 | 140 | 70 | 112 | 45 | 230 | 16 | 230 | 240 | 190 | 300 | 470 | ||||||||||||
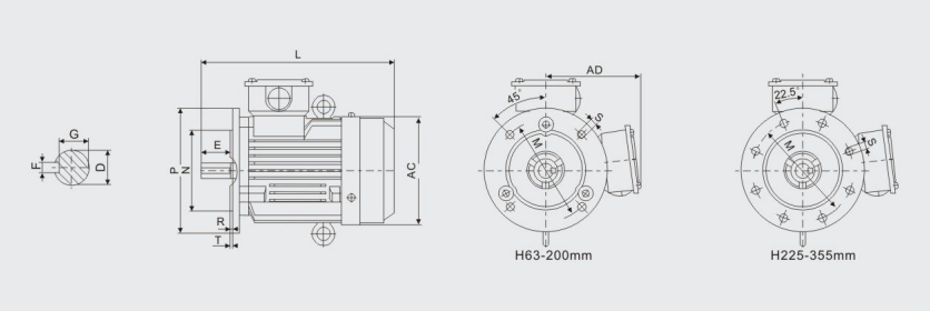
B3(Рама с лапами, без фланца на торцевом щите)
| Типоразмер | Число полюсов | Монтажные размеры | Габаритные размеры | |||||||||||||||
| A | B | C | D | E | F | G | H | K | AA | BB | HA | AB | AC | AD | HD | L | ||
| 63M | 2,4,6 | 100 | 80 | 40 | 11 | 23 | 4 | 8,5 | 63 | 7,0 | 24 | 135 | 7 | 135 | 130 | 111 | 150 | 217 |
| 71M | 112 | 90 | 45 | 14 | 30 | 5 | 11 | 71 | 26 | 150 | 8 | 150 | 145 | 118 | 170 | 245 | ||
| 80M | 125 | 100 | 50 | 19 | 40 | 6 | 15,5 | 80 | 10 | 32 | 150 | 12 | 165 | 175 | 145 | 220 | 305 | |
| 90S | 140 | 100 | 56 | 24 | 50 | 20 | 90 | 34 | 185 | 14 | 180 | 195 | 165 | 260 | 360 | |||
| 90L | 125 | 8 | 24 | 34 | 210 | 14 | 390 | |||||||||||
| 100L | 160 | 140 | 63 | 28 | 60 | 100 | 12 | 39 | 223 | 16 | 205 | 215 | 180 | 270 | 435 | |||
| 112M | 190 | 140 | 70 | 112 | 45 | 230 | 16 | 230 | 240 | 190 | 300 | 470 | ||||||
| 132S | 216 | 140 | 89 | 38 | 80 | 33 | 132 | 55 | 186 | 20,5 | 270 | 275 | 210 | 345 | 510 | |||
| 132M | 178 | 10 | 55 | 224 | 20,5 | 560 | ||||||||||||
| 160M | 254 | 210 | 108 | 42 | 110 | 12 | 37 | 160 | 14,5 | 65 | 304 | 23 | 320 | 330 | 255 | 420 | 670 | |
| 160L | 254 | 65 | 334 | 23 | 700 | |||||||||||||
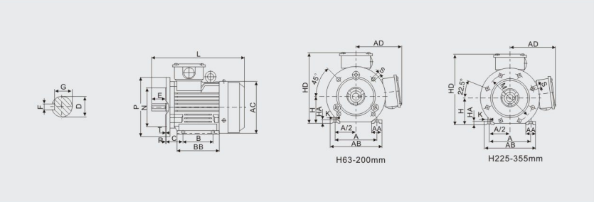
B5(Рама без лап, с фланцем на торцевом щите)
| Типоразмер | Число полюсов | Монтажные размеры | Габаритные размеры | ||||||||||||
| D | E | F | G | M | N | P | R | S | T | AC | AD | HD | L | ||
| 63M | 2,4,6 | 11 | 23 | 4 | 8,5 | 115 | 95 | 140 | 0 | 10 | 3,0 | 130 | 111 | 180 | 230 |
| 71M | 14 | 30 | 5 | 11 | 130 | 110 | 160 | 3,5 | 145 | 118 | 195 | 255 | |||
| 80M | 19 | 40 | 6 | 15,5 | 165 | 130 | 200 | 4-12 | 3,5 | 175 | 145 | 220 | 295 | ||
| 90S | 24 | 50 | 8 | 20 | 195 | 165 | 250 | 320 | |||||||
| 90L | 345 | ||||||||||||||
| 100L | 28 | 60 | 24 | 215 | 180 | 250 | 0 | 4-14,5 | 4 | 215 | 180 | 270 | 385 | ||
| 112M | 240 | 190 | 300 | 400 | |||||||||||
| 132S | 38 | 80 | 10 | 33 | 265 | 230 | 300 | 0 | 275 | 210 | 345 | 470 | |||
| 132M | 510 | ||||||||||||||
| 160M | 42 | 110 | 12 | 37 | 300 | 250 | 350 | 0 | 4-18,5 | 5 | 330 | 255 | 420 | 615 | |
| 160L | 670 | ||||||||||||||
B35(Рама с лапами, с фланцем на торцевом щите)
| Типоразмер | Число полюсов | Монтажные размеры | Габаритные размеры | |||||||||||||||||||||
| A | B | C | D | E | F | G | H | K | M | N | P | R | S | T | AA | BB | HA | AB | AC | AD | HD | L | ||
| 63M | 2,4,6 | 100 | 80 | 40 | 11 | 23 | 4 | 8,5 | 63 | 7,0 | 115 | 95 | 140 | 0 | 10 | 3,0 | 24 | 100 | 7 | 135 | 130 | 111 | 150 | 230 |
| 71M | 112 | 90 | 45 | 14 | 30 | 5 | 11 | 71 | 130 | 110 | 160 | 3,5 | 26 | 110 | 8 | 150 | 145 | 118 | 170 | 255 | ||||
| 80M | 125 | 100 | 50 | 19 | 40 | 6 | 15,5 | 80 | 10 | 4-12 | 3,5 | 32 | 150 | 12 | 165 | 175 | 145 | 220 | 295 | |||||
| 90S | 140 | 56 | 24 | 50 | 8 | 20 | 90 | 165 | 130 | 200 | 34 | 185 | 14 | 180 | 195 | 165 | 260 | 320 | ||||||
| 90L | 125 | 34 | 210 | 14 | 345 | |||||||||||||||||||
| 100L | 160 | 140 | 63 | 28 | 60 | 24 | 100 | 12 | 215 | 180 | 250 | 0 | 4-14,5 | 4 | 39 | 223 | 16 | 205 | 215 | 180 | 270 | 385 | ||
| 112M | 190 | 70 | 112 | 45 | 230 | 16 | 230 | 240 | 190 | 300 | 400 | |||||||||||||
| 132S | 216 | 89 | 38 | 80 | 10 | 33 | 132 | 265 | 230 | 300 | 55 | 186 | 20,5 | 270 | 275 | 210 | 345 | 470 | ||||||
| 132M | 178 | 55 | 224 | 20,5 | 510 | |||||||||||||||||||
| 160M | 254 | 210 | 108 | 42 | 110 | 12 | 37 | 160 | 14,5 | 300 | 250 | 350 | 0 | 4-18,5 | 5 | 65 | 304 | 23 | 320 | 330 | 255 | 420 | 615 | |
| 160L | 254 | 65 | 334 | 23 | 670 | |||||||||||||||||||