
Серия YE3 представляет собой сверхвысокоэффективный полностью закрытый трехфазный асинхронный электродвигатель, изготовленный с применением новых материалов и новых технологий.
Серия YE3 представляет собой сверхвысокоэффективный полностью закрытый трехфазный асинхронный электродвигатель, изготовленный с применением новых материалов и новых технологий. Показатели его эффективности соответствуют второму классу по стандарту GB/T28575-2012.
Отличается эстетичным внешним видом, высокой энергоэффективностью, изоляцией класса F, степенью защиты IP55. Электродвигатель имеет низкий уровень шума, незначительную вибрацию и высокую надежность работы. Предназначен для общего применения в условиях, требующих энергосбережения, непрерывной работы и возможности частых включений. Например, для вентиляторов, насосов и другого оборудования.
| Типоразмер | 80-355 | Класс изоляции | F |
| Режим работы | S1 | Способ охлаждения | IC411 |
| Мощность | 0,75-315 кВт | Класс энергоэффективности | IE3 |
| Модели | Мощность (кВт) | Ток (А) | Частота вращения (об/мин) | КПД (%) | Коэффициент мощности | Отношение пускового момента к номинальному | Отношение пускового тока к номинальному | Отношение максимального момента к номинальному | Уровень шума (А)
|
| Синхронная частота вращения 3000 об/мин | |||||||||
| YE3-80M1-2 | 0,75 | 1,7 | 2870 | 80,7 | 0,82 | 2,3 | 7,0 | 2,3 | 62 |
| YE3-8OM2-2 | 1,1 | 2,4 | 2875 | 82,7 | 0,83 | 2,2 | 7,3 | 2,3 | 62 |
| YE3-9oS-2 | 1,5 | 3,2 | 2880 | 84,2 | 0,84 | 2,2 | 7,6 | 2,3 | 67 |
| YE3-90L-2 | 2,2 | 4,6 | 2880 | 85,9 | 0,85 | 2,2 | 7,6 | 2,3 | 67 |
| YE3-100L-2 | 3 | 6,0 | 2880 | 87,1 | 0,87 | 2,2 | 7,8 | 2,3 | 74 |
| YE3-112M-2 | 4 | 7,8 | 2915 | 88,1 | 0,88 | 2,2 | 8,3 | 2,3 | 77 |
| YE3-132S1-2 | 5,5 | 10,6 | 2930 | 89,2 | 0,88 | 2,0 | 8,3 | 2,3 | 79 |
| YE3-132S2-2 | 7,5 | 14,4 | 2930 | 90,1 | 0,88 | 2,0 | 7,9 | 2,3 | 79 |
| YE3-160M1-2 | 11 | 20,6 | 2945 | 91,2 | 0,89 | 2,0 | 8,1 | 2,3 | 81 |
| YE3-16OM2-2 | 15 | 27,9 | 2945 | 91,9 | 0,89 | 2,0 | 8,1 | 2,3 | 81 |
| YE3-160L-2 | 18,5 | 34,2 | 2945 | 92,4 | 0,89 | 2,0 | 8,2 | 2,3 | 81 |
| YE3-180M-2 | 22 | 40,5 | 2950 | 92,7 | 0,89 | 2,0 | 8,2 | 2,3 | 83 |
| YE3-200L1-2 | 30 | 54,9 | 2965 | 93,3 | 0,89 | 2,0 | 7,6 | 2,3 | 84 |
| YE3-200L2-2 | 37 | 67,4 | 2965 | 93,7 | 0,89 | 2,0 | 7,6 | 2,3 | 84 |
| YE3-225M-2 | 45 | 80,8 | 2965 | 94,0 | 0,90 | 2,0 | 7,7 | 2,3 | 86 |
| YE3-250M-2 | 55 | 98,5 | 2975 | 94,3 | 0,90 | 2,0 | 7,7 | 2,3 | 89 |
| YE3-280S-2 | 75 | 134 | 2975 | 94,7 | 0,90 | 1,8 | 7,1 | 2,3 | 91 |
| YE3-280M-2 | 90 | 160 | 2975 | 95,0 | 0,90 | 1,8 | 7,1 | 2,3 | 91 |
| YE3-315S-2 | 110 | 195 | 2985 | 95,2 | 0,90 | 1,8 | 7,1 | 2,3 | 92 |
| YE3-315M-2 | 132 | 234 | 2985 | 95,4 | 0,90 | 1,8 | 7,1 | 2,3 | 92 |
| YE3-315L1-2 | 160 | 279 | 2985 | 95,6 | 0,91 | 1,8 | 7,2 | 2,3 | 92 |
| YE3-315L2-2 | 200 | 349 | 2985 | 95,8 | 0,91 | 1,8 | 7,2 | 2,2 | 92 |
| YE3-355M1-2 | 220 | 383 | 2985 | 95,8 | 0,91 | 1,6 | 7,2 | 2,2 | 100 |
| YE3-355M2-2 | 250 | 436 | 2985 | 95,8 | 0,91 | 1,6 | 7,2 | 2,2 | 100 |
| YE3-355L1-2 | 280 | 488 | 2985 | 95,8 | 0,91 | 1,6 | 7,2 | 2,2 | 100 |
| YE3-355L2-2 | 315 | 549 | 2985 | 95,8 | 0,91 | 1,6 | 7,2 | 2,2 | 100 |
| Синхронная частота вращения 1500 об/мин | |||||||||
| YE3-80M2-4 | 0,75 | 1,8 | 1430 | 82,5 | 0,75 | 2,3 | 6,6 | 2,3 | 56 |
| YE3-90s-4 | 1,1 | 2,6 | 1430 | 84,1 | 0,76 | 2,3 | 6,8 | 2,3 | 59 |
| YE3-90L-4 | 1,5 | 3,5 | 1430 | 85,3 | 0,77 | 2,3 | 7,0 | 2,3 | 59 |
| YE3-100L1-4 | 2,2 | 4,8 | 1440 | 86,7 | 0,81 | 2,3 | 7,6 | 2,3 | 64 |
| YE3-100L2-4 | 3 | 6,3 | 1440 | 87,,7 | 0,82 | 2,3 | 7,6 | 2,3 | 64 |
| YE3-112M-4 | 4 | 8,4 | 1455 | 88,6 | 0,82 | 2,2 | 7,8 | 2,3 | 65 |
| YE3-132S-4 | 5,5 | 11,2 | 1465 | 89,6 | 0,83 | 2,0 | 7,9 | 2,3 | 71 |
| YE3-132M-4 | 7,5 | 15,0 | 1465 | 90,4 | 0,84 | 2,0 | 7,5 | 2,3 | 71 |
| YE3-16OM-4 | 11 | 21,5 | 1470 | 91,4 | 0,85 | 2,2 | 7,7 | 2,3 | 73 |
| YE3-16OL-4 | 15 | 28,8 | 1470 | 92,1 | 0,86 | 2,2 | 7,8 | 2,3 | 73 |
| YE3-18OM-4 | 18,5 | 35,3 | 1470 | 92,6 | 0,86 | 2,0 | 7,8 | 2,3 | 76 |
| YE3-18OL-4 | 22 | 41,8 | 1470 | 93,0 | 0,86 | 2,0 | 7,8 | 2,3 | 76 |
| YE3-20OL-4 | 30 | 56,6 | 1475 | 93,6 | 0,86 | 2,0 | 7,3 | 2,3 | 76 |
| YE3-225s-4 | 37 | 69,6 | 1480 | 93,9 | 0,86 | 2,0 | 7,4 | 2,3 | 78 |
| YE3-225M-4 | 45 | 84,4 | 1480 | 94,2 | 0,86 | 2,0 | 7,4 | 2,3 | 78 |
| YE3-250M-4 | 55 | 103 | 1485 | 94,6 | 0,86 | 2,2 | 7,4 | 2,3 | 79 |
| YE3-280S-4 | 75 | 136 | 1490 | 95,0 | 0,88 | 2,0 | 6,9 | 2,3 | 80 |
| YE3-280M-4 | 90 | 163 | 1490 | 95,2 | 0,88 | 2,0 | 6,9 | 2,3 | 80 |
| YE3-315S-4 | 110 | 197 | 1490 | 95,4 | 0,89 | 2,0 | 7,0 | 2,2 | 88 |
| YE3-315M-4 | 132 | 236 | 1490 | 95,6 | 0,89 | 2,0 | 7,0 | 2,2 | 88 |
| YE3-315L1-4 | 160 | 285 | 1490 | 95,8 | 0,89 | 2,0 | 7,1 | 2,2 | 88 |
| YE3-315L2-4 | 200 | 352 | 1490 | 96,0 | 0,90 | 2,0 | 7,1 | 2,2 | 88 |
| YE3-355M1-4 | 220 | 387 | 1490 | 96,0 | 0,90 | 2,0 | 7,1 | 2,2 | 95 |
| YE3-355M2-4 | 250 | 440 | 1490 | 96,0 | 0,90 | 2,0 | 7,1 | 2,2 | 95 |
| YE3-355L1-4 | 280 | 492 | 1490 | 96,0 | 0,88 | 2,0 | 7,1 | 2,2 | 95 |
| YE3-355L2-4 | 315 | 554 | 1490 | 96,0 | 0,88 | 2,0 | 7,1 | 2,2 | 95 |
| Синхронная частота вращения 1000 об/мин | |||||||||
| YE3-9os-6 | 0,75 | 2,0 | 945 | 78,9 | 0,71 | 2,0 | 6,0 | 2,1 | 57 |
| YE3-90L-6 | 1,1 | 2,8 | 950 | 81,0 | 0,73 | 2,0 | 6,0 | 2,1 | 57 |
| YE3-100L-6 | 1,5 | 3,8 | 950 | 82,5 | 0,73 | 2,0 | 6,5 | 2,1 | 61 |
| YE3-112M-6 | 2,2 | 5,4 | 965 | 84,3 | 0,74 | 2,0 | 6,6 | 2,1 | 65 |
| YE3-132S-6 | 3 | 7,2 | 975 | 85,6 | 0,74 | 2,0 | 6,8 | 2,1 | 69 |
| YE3-132M1-6 | 4 | 9,5 | 975 | 86,8 | 0,74 | 2,0 | 6,8 | 2,1 | 69 |
| YE3-132M2-6 | 5,5 | 12,7 | 975 | 88,0 | 0,75 | 2,0 | 7,0 | 2,1 | 69 |
| YE3-16OM-6 | 7,5 | 16,2 | 980 | 89,1 | 0,79 | 2,0 | 7,0 | 2,1 | 73 |
| YE3-16OL-6 | 11 | 23,1 | 980 | 90,3 | 0,80 | 2,0 | 7,2 | 2,1 | 73 |
| YE3-18OL-6 | 15 | 30,9 | 980 | 91,2 | 0,81 | 2,0 | 7,3 | 2,1 | 73 |
| YE3-200L1-6 | 18,5 | 37,8 | 985 | 91,7 | 0,81 | 2,0 | 7,3 | 2,1 | 73 |
| YE3-200L2-6 | 22 | 44,8 | 985 | 92,2 | 0,81 | 2,0 | 7,4 | 2,1 | 73 |
| YE3-225M-6 | 30 | 59,1 | 985 | 92,9 | 0,83 | 2,0 | 6,9 | 2,1 | 74 |
| YE3-250M-6 | 37 | 71,7 | 985 | 93,3 | 0,84 | 2,0 | 7,1 | 2,0 | 76 |
| YE3-280S-6 | 45 | 85,8 | 990 | 93,7 | 0,85 | 2,0 | 7,3 | 2,0 | 78 |
| YE3-280M-6 | 55 | 103 | 990 | 94,1 | 0,86 | 2,0 | 7,3 | 2,0 | 78 |
| YE3-315S-6 | 75 | 143 | 990 | 94,6 | 0,84 | 2,0 | 6,6 | 2,0 | 83 |
| YE3-315M-6 | 90 | 170 | 990 | 94,9 | 0,85 | 2,0 | 6,7 | 2,0 | 83 |
| YE3-315L1-6 | 110 | 207 | 990 | 95,1 | 0,85 | 2,0 | 6,7 | 2,0 | 83 |
| YE3-315L2-6 | 132 | 244 | 990 | 95,4 | 0,86 | 2,0 | 6,8 | 2,0 | 83 |
| YE3-355M1-6 | 160 | 296 | 990 | 95,6 | 0,86 | 1,8 | 6,8 | 2,0 | 85 |
| YE3-355M2-6 | 200 | 365 | 990 | 95,8 | 0,87 | 1,8 | 6,8 | 2,0 | 85 |
| YE3-355L1-6 | 220 | 401 | 990 | 95,8 | 0,87 | 1,8 | 6,8 | 2,0 | 85 |
| YE3-355L2-6 | 250 | 456 | 990 | 95,8 | 0,86 | 1,8 | 6,8 | 2,0 | 85 |
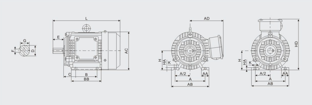
| Типоразмер | Основные монтажные конструкции | Производные монтажные исполнения | |||||||||||||
| B3 | B5 | B35 | V1 | V3 | V5 | V6 | B6 | B7 | B8 | V15 | V36 | B14 | B34 | V18 | |
| 80~112 | √ | √ | √ | √ | √ | √ | √ | √ | √ | √ | √ | √ | √ | √ | √ |
| 132~160 | √ | √ | √ | √ | √ | √ | √ | √ | √ | √ | √ | √ | - | - | - |
| 180~280 | √ | √ | √ | √ | - | - | - | - | - | - | - | - | - | - | - |
| 315~355 | √ | - | √ | √ | - | - | - | - | - | - | - | - | - | - | - |
«√» обозначает конструктивное исполнение, которое может быть изготовлено. При заказе электродвигателя, если не указано иное, клеммная коробка предусматривается с боковым расположением и правым выводом кабеля.
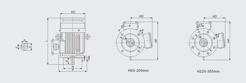
B14(Рама без лап, с малым фланцем на торцевом щите)
| Типоразмер | Число полюсов | Монтажные размеры | |||||||||||||
| D | E | F | G | M | N | P | R | S | T | AC | AD | HD | L | ||
| 80M | 2,4,6 | 19 | 40 | 6 | 15,5 | 100 | 80 | 120 | 0 | 3,0 | 175 | 145 | - | 305 | |
| 90S | 24 | 50 | 8 | 20 | 115 | 95 | 140 | 4-M6
5-4-M8 |
195 | 165 | 360 | ||||
| 90L | 390 | ||||||||||||||
| 100L | 28 | 60 | 24 | 130 | 110 | 160 | 3,5 | 215 | 180 | 245 | 435 | ||||
| 112M | 240 | 190 | 265 | 470 | |||||||||||
B34(Рама с лапами, с малым фланцем на торцевом щите)
| Типоразмер | Число полюсов | Монтажные размеры | Габаритные размеры | ||||||||||||||||||||||
| A | B | C | D | E | F | G | H | K | M | N | P | R | S | T | AA | BB | HA | AB | AC | AD | HD | L | |||
| 80M | 2,4,6 | 125 | 100 | 50 | 19 | 40 | 6 | 15,5 | 80 | 10 | 100 | 80 | 120 | 0 | 4-M6 | 3 | 32 | 150 | 12 | 165 | 175 | 145 | 220 | 305 | |
| 90S | 140 | 100 | 56 | 24 | 50 | 8 | 20 | 90 | 115 | 95 | 140 | 4-M8 | 34 | 185 | 14 | 180 | 195 | 165 | 260 | 360 | |||||
| 90L | 125 | 34 | 210 | 14 | 390 | ||||||||||||||||||||
| 100L | 160 | 140 | 63 | 28 | 60 | 24 | 100 | 12 | 130 | 110 | 160 | 3,5 | 39 | 223 | 16 | 205 | 215 | 180 | 270 | 435 | |||||
| 112M | 190 | 140 | 70 | 112 | 45 | 230 | 16 | 230 | 240 | 190 | 300 | 470 | |||||||||||||
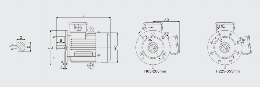
B3(Рама с лапами, без фланца на торцевом щите)
| Типоразмер | Число полюсов | Монтажные размеры | Габаритные размеры | |||||||||||||||
| A | B | C | D | E | F | G | H | K | AA | BB | HA | AB | AC | AD | HD | L | ||
| 80M | 2,4,6 | 125 | 100 | 50 | 19 | 40 | 6 | 15,5 | 80 | 32 | 150 | 12 | 165 | 175 | 145 | 220 | 305 | |
| 90S | 140 | 100 | 56 | 24 | 50 | 8 | 20 | 90 | 10 | 34 | 185 | 14 | 180 | 195 | 165 | 260 | 360 | |
| 90L | 125 | 24 | 100 | 12 | 34 | 210 | 14 | 390 | ||||||||||
| 100L | 160 | 140 | 63 | 28 | 60 | 39 | 223 | 16 | 205 | 215 | 180 | 270 | 435 | |||||
| 112M | 190 | 140 | 70 | 112 | 45 | 230 | 16 | 230 | 240 | 190 | 300 | 470 | ||||||
| 132S | 216 | 140 | 89 | 38 | 80 | 10 | 33 | 132 | 55 | 186 | 20,5 | 270 | 275 | 210 | 345 | 510 | ||
| 132M | 178 | 55 | 224 | 20,5 | 560 | |||||||||||||
| 160M=160L | 254 | 210
254 |
108 | 42 | 12 | 37 | 160 | 14,5 | 65
65 |
304
334 |
23
23 |
320 | 330 | 255 | 420 | 670
700 |
||
| 180M=180L | 279 | 241
279 |
121 | 48 | 110 | 14 | 42,5 | 180 | 70
70 |
311
349 |
25
25 |
355 | 380 | 280 | 455 | 740
790 |
||
| 200L | 318 | 305 | 133 | 55 | 16 | 49 | 200 | 18,5 | 74 | 379 | 29 | 395 | 420 | 305 | 505 | 790 | ||
| 225S | 4 | 286 | 60 | 140 | 18 | 53 | 225 | 78 | 368 | 31 | 435 | 470 | 335 | 560 | 830 | |||
| 225M | 2 | 356 | 311 | 149 | 55 | 110 | 16 | 49 | 393 | 31 | 825 | |||||||
| 4,6 | 60 | 140 | 18 | 53 | 855 | |||||||||||||
| 250M | 2 | 406 | 349 | 168 | 60 | 140 | 18 | 53 | 250 | 24 | 80 | 445 | 33 | 490 | 510 | 370 | 615 | 915 |
| 4,6 | 65 | 58 | ||||||||||||||||
| 280S | 2 | 457 | 368 | 190 | ||||||||||||||
| 90 | 485 | 38,5 | 550 | 580 | 410 | 680 | 985 | |||||||||||
| 4,6 | 75 | 20 | 67,5 | 280 | ||||||||||||||
| 280M | 2
4,6 |
419 | 65
75 |
18
20 |
58
67,5 |
536 | 1035 | |||||||||||
| 315S | 2 | 508 | 406 | 216 | 65 | 18 | 58 | 315 | 28 | 120 | 570 | 45 | 635 | 645 | 530 | 845 | 1240 | |
| 4,6 | 80 | 170 | 22 | 71 | 1270 | |||||||||||||
| 315M | 2 | 457 | 65 | 140 | 18 | 58 | 610 | 1350 | ||||||||||
| 4,6 | 80 | 170 | 22 | 71 | 1380 | |||||||||||||
| 315L | 2 | 508 | 65 | 140 | 18 | 58 | 680 | 1350 | ||||||||||
| 4,6 | 80 | 170 | 22 | 71 | 1380 | |||||||||||||
| 355M | 2 | 610 | 560 | 254 | 75 | 140 | 20 | 67,5 | 130 | 690 | 52 | 730 | 710 | 655 | 1010 | 1500 | ||
| 4,6 | 95 | 170 | 25 | 86 | 355 | 1530 | ||||||||||||
| 355L | 2 | 630 | 75 | 140 | 20 | 67,5 | 750 | 1500 | ||||||||||
| 4,6 | 95 | 170 | 25 | 86 | 1530 | |||||||||||||
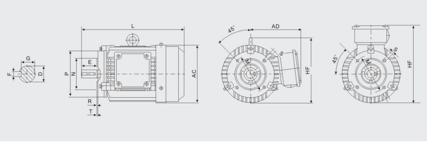
B5(Рама без лап, с фланцем на торцевом щите)
| Типоразмер | Число полюсов | Монтажные размеры | Габаритные размеры | ||||||||||||
| D | E | F | G | M | N | P | R | s | T | AC | AD | HD | L | ||
| 80M | 2,4,6 | 19 | 40 | 6 | 15,5 |
165
|
130
|
200
|
0
|
4-12 | 3,5 | 175 | 145 | 220 | 295 |
| 90S | 24 | 50 | 8 | 20 | 195 | 165 | 250 | 320 | |||||||
| 90L | 345 | ||||||||||||||
| 100L | 28 | 60 | 24 | 215 | 180 | 250 | 0 | 4-14,5 | 4 | 215 | 180 | 270 | 385 | ||
| 112M | 240 | 190 | 300 | 400 | |||||||||||
| 132S | 38 | 80 | 10 | 33 | 265 | 230 | 300 | 0 | 275 | 210 | 345 | 470 | |||
| 132M | 510 | ||||||||||||||
| 160M | 42 | 110 | 12 | 37 | 300 | 250 | 350 | 0 | 4-18,5 | 5 | 330 | 255 | 420 | 615 | |
| 160L | 670 | ||||||||||||||
| 180M | 48 | 14 | 42,5 | 380 | 280 | 455 | 700 | ||||||||
| 180L | 740 | ||||||||||||||
| 200L | 55 | 16 | 49 | 350 | 300 | 400 | 0 | 420 | 305 | 505 | 770 | ||||
| 225S | 4 | 60 | 140 | 18 | 53 | 400 | 350 | 450 | 0 | 8-18,5 | 470 | 335 | 560 | 815 | |
| 225M | 2 | 55 | 110 | 16 | 49 | 820 | |||||||||
| 4,6 | 60 | 140 | 18 | 53 | 500 | 450 | 550 | 0 | 845 | ||||||
| 250M | 2 | 510 | 370 | 615 | 910 | ||||||||||
| 4.6 | 65
|
18
|
58
|
||||||||||||
|
280S |
2 | ||||||||||||||
| 4.6 | 75 | 20 | 67.5 | 580 | 410 | 680 | 985 | ||||||||
| 280M | 2 | 65 | 18 | 58 | 1035 | ||||||||||
| 4,6 | 75 | 20 | 67.5 | ||||||||||||
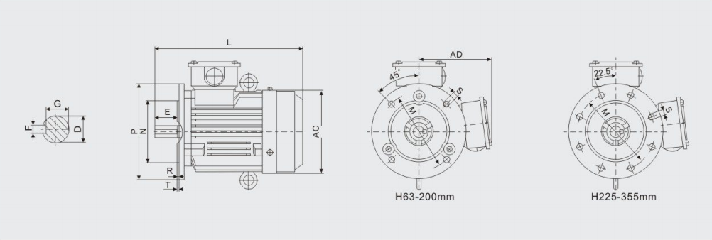
B35(Рама с лапами, с фланцем на торцевом щите)
| Типоразмер | Число полюсов | Монтажные размеры | Габаритные размеры | |||||||||||||||||||||
| A | B | C | D | E | F | G | H | K | M | N | P | R | S | T | AA | BB | HA | AB | AC | AD | HD | L | ||
| 80M | 2,4,6 | 125 | 100 | 50 | 19 | 40 | 6 | 15,5 | 80 | 10 | 165 | 130 | 200 | 0 | 4-12 | 3,5 | 32 | 150 | 12 | 165 | 175 | 145 | 220 | 295 |
| 90S | 140 | 56 | 24 | 50 | 8 | 20 | 90 | 34 | 185 | 14 | 180 | 195 | 165 | 250 | 320 | |||||||||
| 90L | 125 | 34 | 210 | 14 | 345 | |||||||||||||||||||
| 100L | 160 | 63 | 28 | 60 | 24 | 100 | 12 | 215 | 180 250 | 0 | 4-14,5 | 4 | 39 | 223 | 16 | 205 | 215 | 180 | 270 | 385 | ||||
| 112M | 190 | 140 | 70 | 112 | 45 | 230 | 16 | 230 | 240 | 190 | 300 | 400 | ||||||||||||
| 132S | 216 | 178 | 89 | 38 | 80 | 10 | 33 | 132 | 265 | 230 | 300 | 55 | 186 | 20,5 | 270 | 275 | 210 | 345 | 470 | |||||
| 132M | 55 | 224 | 20,5 | 510 | ||||||||||||||||||||
| 160M | 254 | 210 | 108 | 42 | 110 | 12 | 37 | 160 | 14,5 | 300 | 250 | 350 | 0 | 4-18,5 | 5 | 65 | 304 | 23 | 320 | 330 | 255 | 420 | 615 | |
| 160L | 254 | 65 | 334 | 23 | 670 | |||||||||||||||||||
| 180M 180L |
279 | 241 279 |
121 | 48 | 14 | 42,5 180 | 70 70 |
311 349 |
25 25 |
355 | 380 | 280 | 455 | 700 740 |
||||||||||
| 200L | 318 305 133 | 55 | 16 | 49 | 200 | 18,5 | 350 | 300 | 400 | 74 | 379 | 29 | 395 | 420 | 305 | 505 | 770 | |||||||
| 225S | 4 | 286 | 149 | 60 | 140 | 18 | 53 | 400 | 350 | 450 | 0 | 8-18,5 | 78 | 368 | 31 | 435 | 470 | 335 | 560 | 815 | ||||
| 225M | 2 | 356 | 311 | 55 | 110 | 16 | 49 | 225 | 393 | 31 | 820 | |||||||||||||
| 4,6 | 60 | 140 | 18 | 53 | 250 | 845 | ||||||||||||||||||
| 250M | 2 | 406 | 349 | 168 | 80 | 445 | 33 | 490 | 510 | 370 | 615 | 910 | ||||||||||||
| 4,6 | 65 | 58 | 24 | 500 | 450 | 550 | ||||||||||||||||||
| 280S | 0 | 457 | 368 | 190 | 90 | 485 | 38,5 | 550 | 580 | 410 | 680 | 985 | ||||||||||||
| 4,6 | 75 | 20 | 67.5 | 280 | ||||||||||||||||||||
| 280M | 2 | 419 | 65 | 18 | 58 | 536 | 1035 | |||||||||||||||||
| 4,6 | 75 | 20 | 67,5 | |||||||||||||||||||||
| 315S | 2 | 508 | 406 | 216 | 65 | 18 | 58 | 315 | 28 | 600 | 550 | 660 | 8-24 | 6 | 120 | 570 | 45 | 635 | 645 | 530 | 800 | 1178 | ||
| 4,6 | 80 | 170 | 22 | 71 | 1208 | |||||||||||||||||||
| 315M | 2 | 457 | 65 | 140 | 18 | 58 | 610 | 1290 | ||||||||||||||||
| 4,6 | 80 | 170 | 22 | 71 | 1320 | |||||||||||||||||||
| 315L | 2 | 508 | 65 | 140 | 18 | 58 | 680 | 1290 | ||||||||||||||||
| 4,6 | 80 | 170 | 22 | 71 | 1320 | |||||||||||||||||||
| 355M | 2 | 610 | 560 | 254 | 75 | 140 | 20 | 67,5 | 355 | 740 | 680 | 800 | 130 | 690 | 52 | 730 | 710 | 655 | 910 | 1500 | ||||
| 4,6 | 95 | 170 | 25 | 86 | 1530 | |||||||||||||||||||
| 355L | 2 | 630 | 75 | 140 | 20 | 67,5 | 750 | 1500 | ||||||||||||||||
| 4,6 | 95 | 170 | 25 | 86 | 1530 | |||||||||||||||||||
V1(Электродвигатель с вертикальным монтажом, без лап на станине, с фланцем на подшипниковом щите и нижним расположением вала)
| Типоразмер | Число полюсов | Монтажные размеры | Габаритные размеры | ||||||||||||
| D | E | F | G | M | N | P | R | S | T | AC | AD | HD | L | ||
| 180M | 2,4,6 | 48 | 110 | 14 | 42,5 | 300 | 250 | 350 | 0 | 4-18,5 | 5 | 380 | 280 | 455 | 700 |
| 180L | 740 | ||||||||||||||
| 200L | 55 | 16 | 49 | 350 | 300 | 400 | 420 | 305 | 505 | 770 | |||||
| 225S | 4 | 60 | 140 | 18 | 53 | 400 | 350 | 450 | 0 | 8-18,5 | 470 | 335 | 560 | 815 | |
| 225M | 2 | 55 | 110 | 16 | 49 | 820 | |||||||||
| 4,6 | 60 | 140 | 18 | 53 | 845 | ||||||||||
| 250M | 2 | 500 | 450 | 550 | 510 | 370 | 615 | 910 | |||||||
| 4,6 | 65 | 58 | |||||||||||||
| 280S | 2 | 580 | 410 | 680 | 985 | ||||||||||
| 4,6 | 75 | 20 | 67,5 | ||||||||||||
| 280M | 2 | 65 | 18 | 58 | |||||||||||
| 4,6 | 75 | 20 | 67,5 | 80-14 | 6 | 645 | 530 | 800 | 1035 | ||||||
| 315S | 2 | 65 | 18 | 58 | 600 | 550 | 660 | 1178 | |||||||
| 4,6 | 80 | 170 | 22 | 71 | 1208 | ||||||||||
| 315M | 2 | 65 | 140 | 18 | 58 | 1290 | |||||||||
| 4,6 | 80 | 170 | 22 | 71 | 1320 | ||||||||||
| 315L | 2 | 65 | 140 | 18 | 58 | 1290 | |||||||||
| 4,6 | 80 | 170 | 22 | 71 | 1320 | ||||||||||
| 355M | 2 | 75 | 140 | 20 | 67,5 | 740 | 680 | 800 | 710 | 655 | 910 | 1500 | |||
| 4,6 | 95 | 170 | 25 | 86 | 1530 | ||||||||||
| 355L | 2 | 75 | 140 | 20 | 67,5 | 1500 | |||||||||
| 4,6 | 95 | 170 | 25 | 86 | 1530 | ||||||||||