
Взрывозащищенный трехфазный асинхронный двигатель серии YBX3 предназначен для наведения взрывозащищенных двигателей серии YB2, в сочетании с реальной ситуацией в индустрии взрывозащищенных двигателей и на рынке Китая и разработан, является обновленным продуктом взрывозащищенных двигателей серии YB2.
Взрывозащищенный трехфазный асинхронный двигатель серии YBX3 предназначен для наведения взрывозащищенных двигателей серии YB2, в сочетании с реальной ситуацией в индустрии взрывозащищенных двигателей и на рынке Китая и разработан, является обновленным продуктом взрывозащищенных двигателей серии YB2. Это обеспечивает новое поколение более передовых, безопасных и надежных энергетических установок нового поколения для угольной, нефтяной, химической и других отраслей.
1.Взрывоопасные свойства соответствуют новому стандарту: взрывозащищенные свойства соответствуют требованиям GB3836.1-2010 « взрывоопасная среда, часть 1: общие требования к оборудованию» и GB3836.2-2010 « взрывоопасная среда, часть 2: оборудование для защиты взрывозащищенной оболочки», а также IEC60079 - 1 и европейским стандартам.
2.Высокая взрывозащищенность, надежная эксплуатация: уровень защиты двигателя IP55, сквозная часть вала с использованием V образного уплотнительного кольца, соединительная коробка с использованием кругового уплотнительного кольца, чтобы улучшить точность обработки основных деталей. С точки зрения пылезащитности и водонепроницаемости, по сравнению с IP54 серии YB2, двигатель работает более надежно.
3.Показатели производительности отличные, высокая эффективность: показатели эффективности соответствуют стандарту уровня 3 GB18613 - 2012, эффект экономии энергии замечательный.
| Модель | Мощность | Электрический ток (380 В) А | Номинальное напряжение(В) | Скорость вращения(об/мин) | Блокирующий / номинальный крутящий момент | Блокирующий ток / номинальный ток | Максимальный / номинальный крутящий момент | Эффективность(%) | Коэффициент мощности(cos φ) | Уровень шума(А) | Вибрация(мм/с) |
| Одновременная скорость 3000об/ мин | |||||||||||
| YBX3-631-2 | 0.18 | 0.53 | 380 | 2720 | 2.3 | 5.5 | 2.2 | 66 | 0.8 | 61 | 1.6 |
| YBX3-632-2 | 0.25 | 0.69 | 2720 | 2.3 | 5.5 | 2.2 | 68 | 0.81 | 61 | ||
| YBX3-711-2 | 0.37 | 0.99 | 2760 | 2.3 | 6.1 | 2.2 | 70 | 0.81 | 64 | ||
| YBX3-712-2 | 0.55 | 1.38 | 2760 | 2.3 | 6.1 | 2.3 | 73 | 0.83 | 64 | ||
| YBX3-801-2 | 0.75 | 1.83 | 2840 | 2.3 | 6.8 | 2.3 | 75 | 0.83 | 67 | ||
| YBX3-802-2 | 1.1 | 2.6 | 2840 | 2.3 | 7.3 | 2.3 | 78 | 0.84 | 67 | ||
| YBX3-90S-2 | 1.5 | 3.4 | 2850 | 2.3 | 7.6 | 2.3 | 79 | 0.84 | 72 | ||
| YBX3-90L-2 | 2.2 | 4.8 | 2850 | 2.3 | 7.8 | 2.3 | 81 | 0.85 | 72 | ||
| YBX3-100L-2 | 3 | 6.2 | 2870 | 2.3 | 8.1 | 2.3 | 83 | 0.88 | 76 | ||
| YBX3-112M-2 | 4 | 8.1 | 380/660 | 2890 | 2.3 | 8.3 | 2.3 | 85 | 0.88 | 77 | |
| YBX3-132S1-2 | 5.5 | 11.1 | 2900 | 2.2 | 8 | 2.3 | 86 | 0.88 | 80 | ||
| YBX3-132S2-2 | 7.5 | 14.8 | 2900 | 2.2 | 7.8 | 2.3 | 87 | 0.88 | 80 | ||
| YBX3-160M1-2 | 11 | 21.6 | 2940 | 2.2 | 7.9 | 2.3 | 88 | 0.88 | 86 | 2.2 | |
| YBX3-160M2-2 | 15 | 28.8 | 2940 | 2.2 | 8 | 2.3 | 89 | 0.89 | 86 | ||
| YBX3-160L-2 | 18.5 | 35.5 | 2940 | 2.2 | 8.1 | 2.3 | 89 | 0.89 | 86 | ||
| YBX3-180M-2 | 22 | 41 | 2950 | 2.2 | 8.2 | 2.3 | 90.5 | 0.9 | 89 | ||
| YBX3-200L1-2 | 30 | 55.5 | 2950 | 2.2 | 7.5 | 2.3 | 91.2 | 0.9 | 92 | ||
| YBX3-200L2-2 | 37 | 67.9 | 2950 | 2.2 | 7.5 | 2.3 | 92 | 0.9 | 92 | ||
| YBX3-225M-2 | 45 | 82.7/47.6 | 2960 | 2.2 | 7.6 | 2.3 | 92.9 | 0.89 | 92 | ||
| YBX3-250M-2 | 55 | 101/58 | 2970 | 2.2 | 7.6 | 2.3 | 93.2 | 0.89 | 81 | ||
| YBX3-280S-2 | 75 | 137/39 | 2970 | 2 | 7.9 | 2.3 | 93.8 | 0.89 | 81 | ||
| YBX3-280M-2 | 90 | 163/94 | 2970 | 2 | 7 | 2.3 | 94.1 | 0.89 | 76 | ||
| Одновременная скорость 1500об / мин | |||||||||||
| YBX3-631-4 | 0.12 | 0.44 | 380 | 1330 | 2 | 4.4 | 2.2 | 58 | 0.72 | 52 | 1.6 |
| YBX3-632-4 | 0.18 | 0.59 | 1330 | 2 | 4.4 | 2.2 | 63 | 0.73 | 52 | ||
| YBX3-711-4 | 0.25 | 0.78 | 1340 | 2 | 5.5 | 2.2 | 66 | 0.74 | 52 | ||
| YBX3-712-4 | 0.37 | 1.08 | 1340 | 2 | 5.5 | 2.2 | 69 | 0.75 | 55 | ||
| YBX3-801-4 | 0.55 | 1.57 | 1390 | 2.4 | 6.3 | 2.3 | 71 | 0.75 | 58 | ||
| YBX3-802-4 | 0.75 | 2.03 | 1390 | 2.4 | 6.5 | 2.3 | 73 | 0.77 | 58 | ||
| YBX3-90S-4 | 1.1 | 2.9 | 1390 | 2.3 | 6.6 | 2.3 | 75 | 0.77 | 61 | ||
| YBX3-90L-4 | 1.5 | 3.7 | 1390 | 2.3 | 6.9 | 2.3 | 78 | 0.79 | 61 | ||
| YBX3-100L1-4 | 2.2 | 5.2 | 1420 | 2.3 | 7.5 | 2.3 | 80 | 0.81 | 64 | ||
| YBX3-100L2-4 | 3 | 6.8 | 1420 | 2.3 | 7.6 | 2.3 | 82 | 0.82 | 64 | ||
| YBX3-112M-4 | 4 | 8.8 | 380/660 | 1430 | 2.3 | 7.7 | 2.3 | 84 | 0.82 | 65 | 1.6 |
| YBX3-132S-4 | 5.5 | 11.6 | 1450 | 2 | 7.5 | 2.3 | 86 | 0.84 | 71 | ||
| YBX3-132M-4 | 7.5 | 15.4 | 1450 | 2.2 | 7.4 | 2.3 | 87 | 0.85 | 71 | ||
| YBX3-160M-4 | 11 | 22.3 | 1460 | 2.2 | 7.5 | 2.3 | 88 | 0.85 | 75 | 2.2 | |
| YBX3-160L-4 | 15 | 30.1 | 1460 | 2.2 | 7.5 | 2.3 | 89 | 0.85 | 75 | ||
| YBX3-180M-4 | 18.5 | 36.5 | 1470 | 2.2 | 7.7 | 2.3 | 90.5 | 0.85 | 76 | ||
| YBX3-180L-4 | 22 | 43.1 | 1470 | 2.2 | 7.8 | 2.3 | 91.2 | 0.85 | 76 | ||
| YBX3-200L-4 | 30 | 57.6 | 1470 | 2.2 | 7.2 | 2.3 | 92 | 0.86 | 79 | ||
| YBX3-225S-4 | 37 | 70.5/40.6 | 1480 | 2.2 | 7.3 | 2.3 | 92.7 | 0.86 | 81 | ||
| YBX3-225M-4 | 45 | 85.4/49.2 | 1480 | 2.2 | 7.4 | 2.3 | 93.1 | 0.86 | 81 | ||
| YBX3-250M-4 | 55 | 104/60 | 1480 | 2.2 | 7.4 | 2.3 | 93.5 | 0.86 | 83 | ||
| YBX3-280S-4 | 75 | 138/9 | 1480 | 2.2 | 6.7 | 2.3 | 94 | 0.88 | 86 | ||
| YBX3-280M-4 | 90 | 165/95 | 1480 | 2.2 | 6.9 | 2.3 | 94.2 | 0.88 | 86 | ||
| Одновременная скорость 1000об / мин | |||||||||||
| YBX3-711-6 | 0.18 | 0.67 | 380 | 850 | 1.9 | 4 | 2 | 62 | 0.66 | 52 | 1.6 |
| YBX3-712-6 | 0.25 | 0.88 | 850 | 1.9 | 4 | 2 | 63 | 0.68 | 52 | ||
| YBX3-801-6 | 0.37 | 1.3 | 890 | 1.9 | 4.7 | 2 | 63 | 0.7 | 54 | ||
| YBX3-802-6 | 0.55 | 1.8 | 890 | 1.9 | 4.7 | 2.1 | 66 | 0.72 | 54 | ||
| YBX3-90S-6 | 0.75 | 2.3 | 910 | 2.1 | 5.8 | 2.1 | 69 | 0.72 | 57 | ||
| YBX3-90L-6 | 1.1 | 3.1 | 910 | 2.1 | 5.9 | 2.1 | 73 | 0.73 | 57 | ||
| YBX3-100L-6 | 1.5 | 3.9 | 930 | 2.1 | 6 | 2.1 | 76 | 0.76 | 61 | ||
| YBX3-112M-6 | 2.2 | 5.6 | 940 | 2.1 | 6 | 2.1 | 79 | 0.76 | 65 | ||
| YBX3-132S-6 | 3 | 7.3 | 970 | 2 | 6.2 | 2.1 | 81 | 0.77 | 69 | ||
| YBX3-132M1-6 | 4 | 9.4 | 380/660 | 970 | 2 | 6.8 | 2.1 | 83 | 0.78 | 69 | |
| YBX3-132M2-6 | 5.5 | 12.6 | 970 | 2 | 6.7 | 2.1 | 85 | 0.78 | 73 | ||
| YBX3-160M-6 | 7.5 | 16.8 | 970 | 2.1 | 6.7 | 2.1 | 86 | 0.79 | 73 | 2.2 | |
| YBX3-160L-6 | 11 | 24.2 | 970 | 2.1 | 6.9 | 2.1 | 87 | 0.79 | 73 | ||
| YBX3-180L-6 | 15 | 31.6 | 980 | 2 | 7.2 | 2.1 | 89 | 0.81 | 73 | ||
| YBX3-200L1-6 | 18.5 | 37.6 | 980 | 2.1 | 7.2 | 2.1 | 90 | 0.83 | 76 | ||
| YBX3-200L2-6 | 22 | 44.7 | 980 | 2.1 | 7.3 | 2.1 | 90 | 0.83 | 76 | ||
| YBX3-225M-6 | 30 | 61.4/35.3 | 990 | 2 | 7.1 | 2.1 | 91.7 | 0.81 | 76 | ||
| YBX3-250M-6 | 37 | 73/42 | 990 | 2.1 | 7.1 | 2.1 | 92.2 | 0.84 | 78 | ||
| YBX3-280S-6 | 45 | 86/49 | 990 | 2.1 | 7.2 | 2 | 92.7 | 0.86 | 80 | ||
| YBX3-280M-6 | 55 | 104/60 | 990 | 2.1 | 7.2 | 2 | 93.1 | 0.86 | 80 | ||
| Одновременная скорость 750об / мин | |||||||||||
| YBX3-801-8 | 0.18 | 0.86 | 380 | 650 | 1.8 | 3.3 | 1.9 | 52 | 0.61 | 52 | 1.6 |
| YBX3-802-8 | 0.25 | 1.13 | 650 | 1.8 | 3.3 | 1.9 | 55 | 0.61 | 52 | ||
| YBX3-90S-8 | 0.37 | 1.44 | 670 | 1.8 | 4 | 1.9 | 63 | 0.62 | 56 | ||
| YBX3-90L-8 | 0.55 | 2.1 | 670 | 1.8 | 4 | 2 | 64 | 0.63 | 56 | ||
| YBX3-100L1-8 | 0.75 | 2.4 | 690 | 1.8 | 4 | 2 | 71 | 0.68 | 59 | ||
| YBX3-100L2-8 | 1.1 | 3.3 | 690 | 1.8 | 5 | 2 | 73 | 0.69 | 59 | ||
| YBX3-112M-8 | 1.5 | 4.4 | 690 | 1.8 | 5 | 2 | 75 | 0.69 | 61 | ||
| YBX3-132S-8 | 2.2 | 5.8 | 710 | 1.8 | 6 | 2 | 79 | 0.73 | 64 | ||
| YBX3-132M-8 | 3 | 7.7 | 710 | 1.8 | 6 | 2 | 81 | 0.73 | 64 | ||
| YBX3-160M1-8 | 4 | 10.3 | 720 | 1.9 | 6 | 2 | 81 | 0.73 | 68 | 2.2 | |
| YBX3-160M2-8 | 5.5 | 13.4 | 720 | 1.9 | 6 | 2 | 83 | 0.75 | 68 | ||
| YBX3-160L-8 | 7.5 | 17.6 | 380/660 | 720 | 1.9 | 6 | 2 | 85 | 0.76 | 68 | |
| YBX3-180L-8 | 11 | 25.3 | 720 | 2 | 6.5 | 2 | 87 | 0.76 | 70 | ||
| YBX3-200L-8 | 15 | 33.7 | 730 | 2 | 6.6 | 2 | 89 | 0.76 | 73 | ||
| YBX3-225S-8 | 18.5 | 41.1/23.7 | 740 | 1.9 | 6.6 | 2 | 90 | 0.76 | 73 | ||
| YBX3-225M-8 | 22 | 47.4/27.3 | 740 | 1.9 | 6.6 | 2 | 90.5 | 0.78 | 73 | ||
| YBX3-250M-8 | 30 | 63/27 | 740 | 1.9 | 6.5 | 2 | 91 | 0.79 | 75 | ||
| YBX3-280S-8 | 75 | 78/45 | 740 | 1.9 | 6.6 | 2 | 91.5 | 0.79 | 76 | ||
| YBX3-280M-8 | 45 | 95/54 | 740 | 1.9 | 6.6 | 2 | 92 | 0.79 | 76 | ||
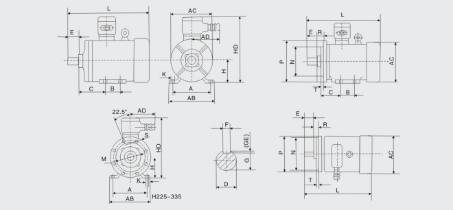
| Модель | Размер установ | Размер | ||||||||||||||||||||||||||||||||||
| Основные размеры | T | Количество отверстий во фланце | Резьба присоединения соленоида | AB | AC(B3B35) | AC(B5) | AD | HD | HF | Горизонтальный | Вертикальный | |||||||||||||||||||||||||
| A | B | C | D | E | F | G | H | K | M | N | P | R | S | |||||||||||||||||||||||
| 63 | 100 | 80 | 40 | 11 | 23 | 4 | 8.5 | 63 | 7 | 115 | 9S | 140 | 0 | 10 | 3 | 4 | M24*1.5 | 130 | 150 | 130 | 165 | 230 | 170 | 270 | - | |||||||||||
| 71 | 112 | 90 | 45 | 14 | 30 | 5 | 11 | 71 | 7 | 130 | 110 | 160 | 10 | 3 | 4 | M24*1.5 | 140 | 155 | 145 | 165 | 240 | 170 | 300 | - | ||||||||||||
| 80 | 125 | 100 | 50 | 19 | 40 | 6 | 15.S | 80 | 10 | 165 | 130 | 200 | 12 | 3.5 | 4 | M30*2 | 165 | 165 | 165 | 180 | 320 | 240 | 330 | - | ||||||||||||
| 90S | 140 | 100 | 56 | 24 | 50 | 8 | 20 | 90 | 10 | 165 | 130 | 200 | 12 | 3.5 | 4 | M30*2 | 180 | 180 | 180 | 180 | 350 | 260 | 360 | - | ||||||||||||
| 90L | 140 | 125 | 56 | 24 | 50 | 8 | 20 | 90 | 10 | 165 | 130 | 200 | 12 | 3.5 | 4 | M30*2 | 180 | 180 | 180 | 180 | 350 | 260 | 385 | - | ||||||||||||
| 100L | 160 | 140 | 63 | 28 | 60 | 8 | 24 | 100 | 12 | 215 | 180 | 250 | 15 | 4 | 4 | M30*2 | 200 | 205 | 205 | 180 | 400 | 300 | 440 | - | ||||||||||||
| 112M | 190 | 140 | 70 | 28 | 60 | 8 | 24 | 112 | 12 | 215 | 180 | 250 | 15 | 4 | 4 | M30*2 | 245 | 230 | 230 | 200 | 420 | 310 | 460 | - | ||||||||||||
| 132S | 216 | 140 | 89 | 38 | 80 | 10 | 33 | 132 | 12 | 265 | 230 | 300 | 15 | 4 | 4 | M30*2 | 280 | 270 | 270 | 200 | 450 | 320 | 510 | - | ||||||||||||
| 132M | 216 | 178 | 89 | 38 | 80 | 10 | 3 | 132 | 12 | 265 | 230 | 300 | 15 | 4 | 4 | M30*2 | 280 | 270 | 270 | 200 | 450 | 320 | 550 | - | ||||||||||||
| 160M | 254 | 210 | 108 | 42 | 110 | 12 | 37 | 160 | 15 | 300 | 250 | 350 | 19 | 5 | 4 | M36*2 | 330 | 32S | 325 | 220 | 520 | 360 | 65S | - | ||||||||||||
| 160L | 254 | 254 | 108 | 42 | 110 | 12 | 37 | 160 | 15 | 300 | 250 | 350 | 19 | 5 | 4 | M36*2 | 330 | 325 | 325 | 220 | S20 | 360 | 695 | - | ||||||||||||
| 180M | 279 | 241 | 121 | 48 | 110 | 14 | 42.5 | 180 | 15 | 300 | 250 | 350 | 19 | 5 | 4 | M36*2 | 355 | 360 | 360 | 220 | 550 | 370 | 730 | 800 | ||||||||||||
| 180L | 279 | 279 | 121 | 48 | 110 | 14 | 42.5 | 180 | 15 | 300 | 250 | 350 | 19 | 5 | 4 | M36*2 | 355 | 360 | 360 | 220 | 550 | 370 | 750 | 820 | ||||||||||||
| 200L | 318 | 305 | 133 | 55 | 110 | 16 | 49 | 200 | 19 | 350 | 300 | 400 | 19 | 5 | 4 | M48*2 | 390 | 400 | 400 | 250 | 645 | 445 | 805 | 875 | ||||||||||||
| 225S-4.6 8 | 356 | 286 | 149 | 60 | 110 | 18 | 53 | 228 | 19 | 400 | 350 | 450 | 19 | 5 | 8 | M48*2 | 435 | 450 | 450 | 250 | 690 | 465 | 865 | 835 | ||||||||||||
| 225M-2 | 356 | 311 | 149 | 55 | 140 | 16 | 49 | 225 | 19 | 400 | 350 | 450 | 19 | 5 | 8 | M48*2 | 435 | 450 | 450 | 250 | 690 | 465 | 860 | 930 | ||||||||||||
| 225M-4.6.8 | 356 | 311 | 149 | 60 | 110 | 18 | 53 | 250 | 19 | 400 | 350 | 450 | 19 | 5 | 8 | M48*2 | 435 | 450 | 450 | 250 | 690 | 465 | 890 | 960 | ||||||||||||
| 250M-2 | 406 | 349 | 168 | 60 | 140 | 18 | 53 | 250 | 24 | 500 | 450 | 550 | 19 | 5 | 8 | M64*2 | 490 | 500 | 500 | 300 | 720 | 500 | 945 | 1035 | ||||||||||||
| 250M-4.6.8 | 406 | 349 | 168 | 65 | 140 | 18 | 50 | 250 | 24 | 500 | 450 | 550 | 19 | 5 | 8 | M64*2 | 490 | 500 | 500 | 300 | 720 | 500 | 945 | 1035 | ||||||||||||
| 280S-2 | 457 | 368 | 190 | 65 | 140 | 18 | 58 | 280 | 24 | 500 | 450 | 550 | 19 | 5 | 8 | M64*2 | 545 | 560 | 560 | 300 | 790 | 550 | 1010 | 1100 | ||||||||||||
| 280S-4.6.8 | 457 | 368 | 190 | 75 | 140 | 20 | 67.5 | 280 | 24 | 500 | 450 | 550 | 19 | 5 | 8 | M64*2 | 545 | 560 | 560 | 300 | 790 | 550 | 1010 | 1100 | ||||||||||||
| 280M-2 | 457 | 419 | 190 | 65 | 140 | 18 | 58 | 280 | 24 | 500 | 450 | 550 | 19 | 5 | 8 | M64*2 | 545 | 560 | 560 | 300 | 790 | 550 | 1060 | 1150 | ||||||||||||
| 280M-4.6.8 | 457 | 419 | 190 | 75 | 140 | 20 | 67.5 | 280 | 24 | 500 | 450 | 550 | 19 | 5 | 8 | M64*2 | 545 | 560 | 560 | 300 | 790 | 550 | 1060 | 1150 | ||||||||||||